Závitová příruba přináší revoluci v konektivitě potrubí tím, že nabízí bezpečné řešení bez svařování pro spojování závitových trubek, což z ní činí dokonalou volbu pro prostředí, kde se o bezpečnosti a přizpůsobivosti nedá vyjednávat. Tato příruba je navržena s přesným vnitřním závitem a lze ji bez problémů integrovat do galvanizovaných ocelových trubek nebo systémů, kde je svařování zakázáno – jako jsou hořlavé, výbušné nebo vysoce citlivé průmyslové prostředí. Jeho inovativní design eliminuje nebezpečí požáru spojená se svařováním, zajišťuje shodu s přísnými bezpečnostními protokoly a zároveň poskytuje robustní, nepropustné těsnění, které odolává vysokým tlakům. Závitové připojení umožňuje rychlou instalaci a demontáž, což umožňuje týmům údržby odstraňovat problémy nebo upgradovat systémy bez specializovaného vybavení, což snižuje prostoje v kritických operacích, jako je chemické zpracování, distribuce ropy a plynu nebo farmaceutická výroba.
| Velikost | DN15(1/2")-DN600(24") |
| Hodnocení tlaku | 0,6-4,0 MPa |
| Teplotní rozsah | -45 ℃ až 260 ℃ |
| Certifikát | PED,AD2000,EAC,ABS,BV,DNV,NORSOK M650, ISO9001,ISO14001,ISO45001 atd. |
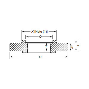
| Představení funkce | Závitová příruba se připojuje k závitové trubce pomocí vnitřního trubkového závitu, což eliminuje svařování. Ideální pro galvanizované ocelové trubky nebo omezená svařovací prostředí (hořlavé/výbušné). Vyznačuje se snadnou instalací a flexibilní údržbou, zvláště vhodný pro legovanou ocel a další materiály se špatnou svařitelností. |
| Oblasti použití | Použitelné pro potrubní přírubové spoje v dálkových ropovodech a plynovodech, pobřežní plošiny, chemická zařízení, systémy na úpravu vody a potravinářský a farmaceutický průmysl, přizpůsobené složitým pracovním podmínkám. |
| Balení | Balíček pro plavbu, překližkové obaly nebo palety nebo podle požadavků zákazníka |
| Vybrané produkty | 1、Minimální objednávka v malé dávce; |
Ideální pro materiály náchylné ke svařování – jako je legovaná ocel – závitová příruba zachovává integritu materiálu a zabraňuje křehkosti nebo deformaci způsobené teplem. Jeho konstrukce odolná proti korozi, dostupná z uhlíkové oceli nebo nerezové oceli, zajišťuje dlouhou životnost i v drsném prostředí, od pobřežních vrtných plošin až po sanitační systémy pro potravinářské účely. Tato příruba, podpořená přísnou shodou s globálními standardy, zaručuje spolehlivost ve vysoce náročných aplikacích, včetně hydraulických systémů, kryogenních potrubí a přenosů hořlavých kapalin. Pro průmyslová odvětví, která upřednostňují bezpečnost, efektivitu a nákladově efektivní údržbu, je závitová příruba transformativním řešením. Pozvedněte svou infrastrukturu ještě dnes pomocí našich prémiových závitových přírub – kde se inovace snoubí s nekompromisní bezpečností a umožní vašim systémům bezchybný provoz i v těch nejnáročnějších podmínkách. Vyberte si důvěru, zvolte odolnost a předefinujte potenciál svého potrubí.
Od suroviny až po konečnou dodávku udržujeme přísnou kontrolu v každé fázi, abychom zajistili trvanlivost, výkon a konzistenci.
01
02
03
04
05
06
07
08
09
10
11
12
