Lap Joint Flange nově definuje flexibilitu v potrubních systémech a nabízí dynamické řešení pro řízení namáhání tepelnou roztažností a smršťováním a zároveň umožňuje bezproblémovou demontáž v nízkotlakých aplikacích. Tato inovativní konstrukce, která kombinuje robustní přírubový kroužek s otočnou přírubovou součástí, umožňuje řízený axiální pohyb potrubí a účinně absorbuje posuny vyvolané teplotou, aniž by byla ohrožena strukturální integrita. K dispozici ve dvou konfiguracích – typ s navařovacím kroužkem na tupo (PJ/SE) pro vysoce přesné svarové spoje a typ s plochým svarovým kroužkem (PJ/RJ) pro zjednodušenou instalaci – vyhovuje různým provozním potřebám při zachování nepropustnosti. Příruba je vyrobena z prémiové uhlíkové oceli nebo nerezové oceli a odolává korozi a mechanickému opotřebení, což zajišťuje spolehlivost v průmyslových odvětvích, jako je chemické zpracování, úprava vody a výroba potravin, kde je běžná častá údržba nebo modernizace zařízení.
| Průměr | DN50(2" - DN2000(80") |
| Tlak | 0,6-2,5 MPa |
| Certifikát | PED, AD2000, EAC, ABS, BV, DNV, NORSOK M650, ISO9001, ISO14001, ISO45001 atd. |
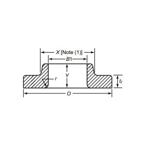
| Představení funkce | V kombinaci s přírubovým kroužkem a přírubou umožňuje axiální posun potrubí a snižuje namáhání tepelnou roztažností. Typy: svařovací kroužek na tupo (PJ/SE) a plochý svařovací kroužek (PJ/RJ). Vhodné pro nízkotlaká potrubí vyžadující častou demontáž. |
| Oblasti použití | Použitelné pro potrubní přírubové spoje v dálkových ropovodech a plynovodech, pobřežní plošiny, chemická zařízení, systémy na úpravu vody a potravinářský a farmaceutický průmysl, přizpůsobené složitým pracovním podmínkám. |
| Balení | Balíček vhodný pro plavbu, překližkové obaly nebo palety nebo podle požadavků zákazníka |
| Vybrané produkty | 1、 Minimální objednávka v malé dávce; |
Jeho otočný mechanismus zjednodušuje zarovnání během montáže, snižuje mzdové náklady a prostoje v systémech, jako jsou hydraulické stroje, HVAC sítě nebo modulární průmyslová nastavení. Izolací pohybu příruby od napětí potrubí prodlužuje životnost těsnění a šroubů a snižuje dlouhodobé náklady na výměnu. Od pobřežních platforem vyžadujících tepelnou kompenzaci až po farmaceutické závody vyžadující sterilní, snadno čistitelná spojení, Lap Joint Flange zajišťuje shodu s normami ASME a EN a zároveň se přizpůsobuje vyvíjejícím se provozním požadavkům. Díky přísnému testování a všestranné kompatibilitě umožňuje inženýrům navrhovat odolnou infrastrukturu připravenou na budoucnost. Upgradujte své potrubní systémy ještě dnes pomocí našich přírub s přeplátovaným spojem – kde se přesná konstrukce snoubí s adaptivní silou, což umožňuje vašim operacím prosperovat v dynamických prostředích. Vyberte si flexibilitu, vyberte si vytrvalost a odemkněte novou éru efektivity.
Od suroviny až po konečnou dodávku udržujeme přísnou kontrolu v každé fázi, abychom zajistili trvanlivost, výkon a konzistenci.
01
02
03
04
05
06
07
08
09
10
11
12
