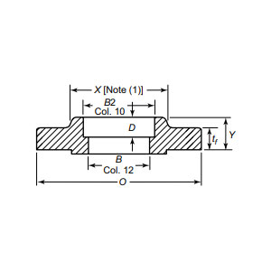
Socket Welding Flange nově definuje vysokotlaké potrubní spoje tím, že integruje vynikající pevnost s plynulou dynamikou tekutin, navrženou tak, aby poskytovala bezkonkurenční výkon v kompaktních aplikacích s vysokými sázkami. Tato příruba, navržená pro trubky s malým průměrem, využívá konfiguraci hrdlového svařování, která zapouzdří svarový spoj uvnitř samotné příruby, čímž eliminuje vnější výčnělky svarů a minimalizuje odpor proudění – kritická výhoda v systémech, kde je omezení turbulencí a hygiena prvořadé. Skrytý svar nejen zefektivňuje čištění a kontrolu ve sterilních prostředích, jako jsou farmaceutické nebo potravinářské závody, ale také zlepšuje strukturální integritu, odolává vibracím a tlakovým rázům v ropných a plynových rafineriích, chemických reaktorech nebo vysokotlakých parních potrubích. Precizně obrobený z kované uhlíkové oceli nebo nerezové oceli, kombinuje odolnost proti korozi s výjimečnou pevností v tahu a zajišťuje nepropustné těsnění i při extrémních teplotách a tlacích.
| Rozsah průměrů | DN15(1/2")-DN150(6") |
| Hodnocení tlaku | 1,6-16MPa |
| Certifikát | PED, AD2000, EAC, ABS, BV, DNV, NORSOK M650, ISO9001, ISO14001, ISO45001 atd. |
| Představení funkce | Připojení hrdlovým svarem, Skrytý svar snižuje odpor proudění, Optimalizováno pro vysokotlaké aplikace s malým průměrem, Vynikající těsnící výkon |
| Oblasti použití | Použitelné pro potrubní přírubové spoje v dálkových ropovodech a plynovodech, pobřežní plošiny, chemická zařízení, systémy na úpravu vody a potravinářský a farmaceutický průmysl, přizpůsobené složitým pracovním podmínkám. |
| Balení | Balíček pro plavbu, překližkové obaly nebo palety nebo podle požadavků zákazníka |
| Vybrané produkty | 1、 Minimální objednávka v malé dávce; |
Jeho kompaktní design zjednodušuje instalaci ve stísněných prostorech, zatímco robustní spojení odolává cyklické tepelné roztažnosti, takže je ideální pro pobřežní plošiny, turbíny na výrobu energie a hydraulické systémy. Odstraněním potenciálních slabých míst a snížením cyklů údržby umožňuje tato příruba průmyslovým odvětvím upřednostňovat bezpečnost, aniž by byla ohrožena účinnost. S podporou standardů ASME B16.5 a přísným nedestruktivním testováním zaručuje spolehlivost v kritických operacích. Pro inženýry, kteří hledají kompaktní, vysokotlaké řešení, které spojuje odolnost s optimalizací kapaliny, je Socket Welding Flange tou nejlepší volbou. Pozvedněte svou infrastrukturu ještě dnes pomocí našich precizně navržených přírub – kde se inovace snoubí s odolností a umožní vašim systémům pracovat s přesností, bezpečností a neochvějnou jistotou. Vyberte si dokonalost, vyberte si vytrvalost a proměňte potenciál svého potrubí.
Od suroviny až po konečnou dodávku udržujeme přísnou kontrolu v každé fázi, abychom zajistili trvanlivost, výkon a konzistenci.
01
02
03
04
05
06
07
08
09
10
11
12
