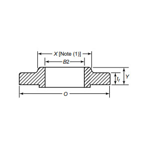
Slip On Flange je základním kamenem nákladově efektivních potrubních řešení, kombinující jednoduchost se spolehlivostí pro splnění požadavků nízkotlakých systémů. Tato příruba je navržena pro snadnou integraci, nasouvá se přes trubku a je zajištěna koutovým svarem, což zjednodušuje instalaci a zároveň minimalizuje náklady na práci a materiál – ideální pro projekty s ohledem na rozpočet, aniž by došlo ke snížení výkonu. Jeho hladký těsnící povrch (FF) zajišťuje těsný provoz v netoxických, nízkotlakých aplikacích, jako jsou městské vodovodní sítě, HVAC systémy a obecná průmyslová potrubí, zatímco zesílená konkávně-konvexní (MF) plocha zvyšuje integritu těsnění pro mírně náročnější prostředí.
| Rozsah průměrů | DN15(1/2")-DN3000 (119") |
| Hodnocení tlaku | PN6-PN16 |
| Certifikát | PED, AD2000, EAC, ABS, BV, DNV, NORSOK M650, ISO9001 ISO14001, ISO45001 atd. |
| Představení funkce | Jednoduchá svařovaná konstrukce, Nákladově efektivní řešení, Snadná instalace, FF (Flat Face) pro nízkotlaká netoxická média, MF (Male-Female) pro lepší utěsnění |
| Oblasti použití | Použitelné pro potrubní přírubové spoje v dálkových ropovodech a plynovodech, pobřežní plošiny, chemická zařízení, systémy na úpravu vody a potravinářský a farmaceutický průmysl, přizpůsobené složitým pracovním podmínkám. |
| Balení | Balíček pro plavbu, překližkové obaly nebo palety nebo podle požadavků zákazníka |
| Vybrané produkty | 1、Minimální objednávka v malé dávce; 2, rychlé dodání; 3、Zakázková výroba; |
Vyrobeno z odolné uhlíkové oceli nebo nerezové oceli, odolává korozi a mechanickému namáhání, díky čemuž je univerzální volbou pro průmyslová odvětví od zpracování potravin po chemickou výrobu, kde je prioritou hygiena a snadná údržba. Kompaktní, lehká konstrukce zjednodušuje dodatečnou montáž a vyrovnání a snižuje prostoje během rozšiřování systému nebo oprav. Ať už se používá v zemědělském zavlažování, farmaceutických zařízeních nebo námořním potrubí, příruba Slip On Flange se bez problémů přizpůsobí různým uspořádáním a zajišťuje shodu s normami ASME a EN. Tím, že vyvažuje cenovou dostupnost a robustní konstrukci, umožňuje inženýrům optimalizovat náklady na infrastrukturu bez obětování bezpečnosti. Upgradujte své potrubní systémy ještě dnes pomocí našich Slip On Flanges – kde se jednoduchost snoubí se silou, což vám umožní stavět chytřeji, snadněji se udržovat a provozovat s jistotou. Zvolte efektivitu, zvolte spolehlivost a transformujte svou potrubní infrastrukturu ještě dnes.
Od suroviny až po konečnou dodávku udržujeme přísnou kontrolu v každé fázi, abychom zajistili trvanlivost, výkon a konzistenci.
01
02
03
04
05
06
07
08
09
10
11
12
