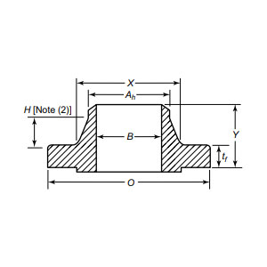
Příruba Weld Neck Flange představuje dokonalé řešení pro vysokotlaká a vysokoteplotní prostředí, navržená tak, aby poskytovala bezkonkurenční spolehlivost díky robustnímu spojení svařovanému na tupo a přesně vyrobenému těsnícímu povrchu. Tato příruba, navržená pro kritické aplikace, se hladce integruje s potrubím prostřednictvím tupého svaru s plnou penetrací a vytváří monolitickou strukturu, která odolává extrémním tlakům, teplotním výkyvům a mechanickému namáhání, což ji činí nepostradatelnou v ropných rafinériích, petrochemických závodech a jaderných energetických systémech. Jeho zúžený krk nejen posiluje strukturální integritu, ale také minimalizuje koncentraci napětí, což zajišťuje dlouhodobý výkon v náročných podmínkách. Výrobní proces – zahrnující pokročilé kování, tepelné zpracování uvolňující pnutí, přesnou konečnou úpravu, přísné nedestruktivní testování (NDT) a antikorozní povrchové úpravy – zaručuje součást, která překračuje průmyslové standardy z hlediska bezpečnosti a odolnosti.
| Průměr | DN15(1/2")-DN3500 (138") |
| Tlak | 0,25-25MPa |
| Certifikát | PED, AD2000, EAC, ABS, BV, DNV, NORSOK M650, ISO9001, ISO14001, ISO45001 atd. |
| Představení funkce | Spojení natupo poskytuje vysoce pevné těsnění pro vysokotlaké (HP) a vysokoteplotní (HT) aplikace a zajišťuje těsnost v extrémních podmínkách |
| Oblasti použití | Použitelné pro potrubní přírubové spoje v dálkových ropovodech a plynovodech, pobřežní plošiny, chemická zařízení, systémy na úpravu vody a potravinářský a farmaceutický průmysl, přizpůsobené složitým pracovním podmínkám. |
| Balení | Balíček pro plavbu, překližkové obaly nebo palety nebo podle požadavků zákazníka |
| Vybrané produkty | 1、Minimální objednávka v malé dávce; |
Od podmořských potrubí s korozivní mořskou vodou až po parní turbíny pracující při spalujících teplotách, Weld Neck Flange zajišťuje nepropustné těsnění a provozní kontinuitu. Průmyslová odvětví vyžadující nekompromisní kvalitu, jako jsou systémy kapalin pro letectví a kosmonautiku nebo kryogenní skladování, spoléhají na její schopnost zachovat integritu při cyklickém zatížení a vystavení drsným médiím. Spojením vynikající odolnosti materiálu s precizním inženýrstvím snižuje tato příruba náklady životního cyklu díky minimalizaci prostojů a údržby. Pro inženýry, kteří mají za úkol chránit infrastrukturu s vysokým podílem, je Weld Neck Flange definitivní volbou. Zvyšte výkon svého systému ještě dnes pomocí našich prémiových Weld Neck Flanges – kde se špičková výroba snoubí s odolností průmyslové třídy, což umožňuje vašim operacím překonat extrémy tlaku, teploty a času. Vyberte si dokonalost, vyberte si odolnost a vytvořte základ pro budoucnost vašich kritických systémů.
Od suroviny až po konečnou dodávku udržujeme přísnou kontrolu v každé fázi, abychom zajistili trvanlivost, výkon a konzistenci.
01
02
03
04
05
06
07
08
09
10
11
12
